圈梁
圈梁构件按照截面可以分为矩形圈梁.异形圈梁和参数化圈梁三种类型。
一、矩形圈梁属性列表:

1.名称:根据图纸输入构件的名称,该名称在当前楼层的当前构件类型下是唯一的。
2.截面宽度(mm):梁的宽度,单位mm。
3.截面高度(mm):输入梁截面高度的尺寸,如550。
5.上部纵筋:输入格式:数量+级别+直径,例如:4B12。
6.下部纵筋:同上部纵筋。
7.箍筋:参见《GTJ2018钢筋输入格式详解》-《四、梁》->03圈梁
8.肢数:通过点击三点按钮选择肢数类型。
9.材质:不同地区计算规则对应材质有所不同。
10.混凝土类型:当前构件的混凝土类型,可以根据实际情况进行调整。这里的默认取值与楼层设置里的混凝土类型一致。
11.混凝土强度等级:混凝土的抗压强度。默认取值与楼层设置里的混凝土强度等级一致。
12.混凝土外加剂:可选择减水剂,早强剂,防冻剂,缓凝剂,或不添加混凝土外加剂。
13.泵送类型:混凝泵,汽车泵,非泵送。
14.泵送高度:泵送砼高度。
15.截面周长:软件根据所输入的宽度和高度自动计算出的数值。
16.截面面积:软件根据所输入的宽度和高度自动计算出的数值。
17.起点顶标高:在绘制圈梁的过程中,鼠标起点处连梁的顶面标高。
18.终点顶标高:在绘制圈梁的过程中,鼠标终点处连梁的顶面标高。
19.备注:该属性值仅是个标识,对计算不会起任何作用。
20.钢筋业务属性

21.侧面纵筋(总配筋值):输入格式:根数+级别+直径,例如:4B20。
22.拉筋:当有侧面纵筋时,软件按“计算设置”中的设置自动计算拉筋信息。当前构件需要特殊处理时,可以根据实际情况输入。
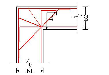
23.L形放射箍筋:圈梁L形拐角处的放射箍筋,如下图所示。输入格式为数量+级别+直径+(肢数),如2A6(2);也可只输入数量,如果不输入级别.直径.肢数时,默认与箍筋输入的信息相同。

24.L形斜加筋:圈梁L形拐角处斜加的钢筋,如上图所示。输入格式同上部钢筋。
25.其它箍筋:除了当前构件中已经输入的箍筋以外,还有需要计算的箍筋,则可以通过其它箍筋来输入。
26.保护层厚度:软件自动读取楼层设置中的保护层厚度,如果当前构件需要特殊处理,则可以根据实际情况进行输入。
27.汇总信息:默认为构件的类别名称。报表预览时部分报表可以以该信息进行钢筋的分类汇总。
28.抗震等级:用户可调整构件抗震等级,默认取值与楼层设置里的抗震等级一致。
29.锚固搭接:软件会自动读取楼层设置中的数据,当前构件需要特殊处理时,可以单独进行调整,修改后只对当前构件起作用。
30.计算设置:对钢筋计算规则进行修改,当前构件会自动读取工程设置中的计算设置信息,如果当前构件的计算方法需要特殊处理,则可以针对当前构件进行设置。具体操作方法请参阅“计算设置-钢筋”,修改后只对当前构件起作用。
31.节点设置:对于钢筋的节点构造进行修改,当前构件的节点会自动读取节点设置中的节点,如果当前构件需要特殊处理时,可以单独进行调整,修改后只对当前构件起作用。
32.搭接设置:软件自动读取楼层设置中搭接设置的具体数值,当前构件如果有特殊要求,则可以根据具体情况修改,修改后只对当前构件起作用。
33.土建业务属性

34.计算规则:软件内置全国各地清单及定额计算规则,同时用户可自行设置构件土建计算规则,软件将按设置的计算规则计算
35.计算设置:用户可自行设置构件土建计算信息,软件将按设置的计算方法计算。
36.模板类型:组合钢模板,木模板,复合木模板。
37.支模高度:支模高度根据超高底标高计算,为只读属性。
38.图元形状:手动修改圈梁的图元形状,不影响计算。
39.超高底面标高:按默认计算设置。
40.显示样式:可设置构件边框颜色.填充颜色和不透明度。
41.填充颜色:可设置柱边框颜色、填充颜色,以便于在绘图区进行构建种类的快速区分。
42.不透明度:图元过多发生遮挡时,调整不透明度可以帮助您便捷查看到被遮挡的图元。
二.异形圈梁属性列表:
1.新建异形圈梁,可使用弹出的异形截面编辑器绘制线式异形截面,点击“确认”后可编辑属性。

2.截面形状:可以点击当前框中的三点按钮,在弹出的异形截面编辑器进行再次编辑。
3.截面宽度:异形梁截面外接矩形的宽度;
4.截面高度:异形梁截面外接矩形的高度;
5.截面面积:软件按照梁本身的属性计算出的截面面积。
6.截面周长:软件按照梁本身的属性计算出的截面周长。
7.其它属性与矩形圈梁属性类似,参见矩形圈梁属性列表。
三.参数化圈梁属性列表:
1.新建参数化梁:可在弹出的“选择参数化图形”对话框设置截面类型与具体尺寸,点击“确认”后显示属性列表。


2.截面形状:可以点击当前框中的三点按钮,在弹出的“选择参数化图形”对话框进行再次编辑。
3.截面宽度:参数化梁截面外接矩形的宽度;
4.截面高度:参数化梁截面外接矩形的高度;
5.截面面积:软件按照梁本身的属性计算出的截面面积。
6.截面周长:软件按照梁本身的属性计算出的截面周长。
7.其它属性与矩形圈梁属性类似,参见矩形圈梁属性列表。
注意:
边框、填充颜色调整跟绘图区一致时图元无法直观被看见,只有在被选中时才能查看到。
不透明度调整为“0”时图元变成纯透明状态,只有在被选中时才能查看到。